Ventilator hota Ruck MPC 450 D4 40

157199

  • temperatura mediu transportat: pana la 60°C;
  • motor in curentul de aer;
  • dimensiune interioara racord tubulatura: 385 mm;
  • debit maxim: 7275 m³/h;
  • presiune maxima: 820 Pa;
  • tip motor: asincron;
  • alimentare: trifazat stea/triunghi;
  • putere maxima consumata: 1223 W;
  • model: MPC 450 D4 40;
  • cod produs: 157199;
  • producator: Ruck

More details

IN STOC

4 160,00 lei TVA inclus

TRANSPORT GRATUIT

local_shipping la comenzi de peste 500 lei

SUPORT GRATUIT

phone_in_talk chat, telefon sau email

PRODUSE ORIGINALE

inventory_2 comercializam produse NOI

SICAP

article achizitii publice din catalog

DETALII PRODUS

Ventilatorul Ruck MPC 450 D4 40 (cod produs 157199) este recomandat pentru extractia aerului contaminat cu grasimi din bucatarii, inclusiv pentru hote profesionale care nu sunt dotate cu ventilator.
Ventilatoarele din seria MPC au motorul dispus in fluxul de aer si permit o temperatura maxima a mediului transportat de 60-80°C (in functie de model). Daca doriti un ventilator care sa permita temperaturi de pana la 120°C, va trebui sa alegeti unul echivalent din seria MPS (acestea au si avantajul dispunerii motorului in afara curentului de aer, acesta fiind astfel protejat impotriva murdariei).
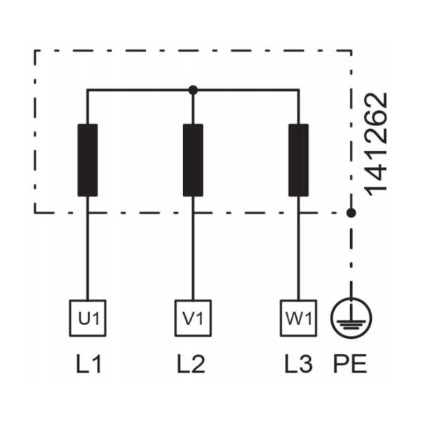
Exhaustoarele cu seria MPC..D se alimenteaza la 400V (tensiune trifazata, conexiune stea sau triunghi), spre deosebire de cele cu seria MPC..E care se alimenteaza la 230V (monofazat).

Caracteristici ventilator hota profesionala MPC 450 D4 40:
1. Carcasa de forma cubica este conconstruita din otel galvanizat si este izolata termoacustic cu 30 mm vata minerala ignifuga conform DIN EN 13501-1, clasa de combustie A1. Suprafata interioara a carcasei este perfect neteda.
2. Panourile laterale sunt insurubate in rama carcasei astfel incat niciun surub nu patrunde in interiorul carcasei.
3. Tava de colectare condens/grasime este integrata in baza carcasei.
4. Racordul la drenaj este situat sub baza echipamentului.
5. Peretii laterali pot fi repozitionati usor pentru a directiona fluxul de aer in cele doua variante posibile (lateral sau liniar).
6. Pentru lucrari de curatare si intretinere usa de revizie poate fi indepartata complet folosind manerul.
7. Elicea radiala cu palete orientate inapoi este confectionata din tabla de otel vopsita cu pulbere si montata pe arborele unui motor IEC trifazic, prezentand o etansare speciala a arborelui care impiedica patrunderea uleiului si a apei.
8. Rulmentii pe bile sunt fara intretinere, cu ungere pe intreaga durata de viata, etansati pe ambele parti.
9. Controlul turatiei este posibil prin intermediul unui convertizor de frecventa. Utilizarea altor modalitati de control a turatiei, cum ar fi controlul tensiunii, va deteriora direct motorul. Motorul este dispus in fluxul de aer.
10. Protectia termica a motorului trebuie asigurată la locul de montaj (monitorizarea curentului termic al motorului prin intermediul convertizorului de frecventa sau prin intrerupator protectie motor).
11. Circuitul stea trebuie utilizat daca motorul va functiona conectat direct la reteaua trifazata cu tensiune de linie de 400V, sau cand va fi comandat printr-un convertizor de frecventa cu tensiune de iesire 400V (uzual convertizorul de frecventa se alimenteaza la reteaua trifazata de 400V).
12. Circuitul triunghi trebuie utilizat daca motorul va functiona conectat direct la reteaua trifazata cu tensiune de linie de 230V, sau cand va fi comandat printr-un convertizor de frecventa cu tensiune de iesire 230V (uzual convertizorul de frecventa se alimenteaza la reteaua monofazata de 230V).

Specificatii tehnice ventilator Ruck MPC 450 D4 40:
1. diametru exterior flansa conexiune tubulatura: 385 mm
2. debit disponibil maxim: 7275 m³/h
3. presiune maxima: 820 Pa
4. tip motor: asincron, controlabil prin frecventa
5. tensiune nominala: 400 V / 50 Hz
6. putere nominala: 945 W
7. curent nominal: 2,1 A
8. putere maxima consumata: 1223 W
8. curent maxim de operare: 2,5 A
9. turatie nominala: 1470 rot/min
10. turatie maxima: 1640 rot/min
11. frecventa maxima permisa: 55 Hz
12. numar de poli: 4
13. protectie motor: IP55
14. temperatura ambientala (maxima permisa la nominal): 60°C
15. temperatura ambientala (maxima permisa): 60°C
16. temperatura aer transportat (max): 60°C
17. temperatura minima de lucru: -20°C
18. temperatura de depozitare: +5°C ÷ +40°C
19. poate fi instalat la exterior cu accesorii adecvate
20. schema de conexiuni: 141262

Dimensiuni ventilator hota exterior Ruck MPC450D440:
1. dimensiuni carcasa (latime x adancime x inaltime): 700 x 700 x 700 mm
2. diametru racord tubulatura: 385 mm
3. racord condens: 3/4"
4. greutate: 73 kg

Va recomandam ca montajul exhaustorului Ruck MPC 450 D4 40 sa fie executat doar de personal calificat, conform instructiunilor de montaj si utilizare si a prescriptiilor si normelor in vigoare (existente in pachetul de livrare).
Urmatoarele elemente trebuie avute in vedere si respectate:
1. Podeaua trebuie sa fie plana si nivelata. Nu sunt permise inclinatii sau neplaneitate in nicio directie. Doar astfel poate fi garantata o functionare corespunzatoare.
2. Se vor utiliza doar accesorii de montaj potrivite si adecvate.
3. Echipamentul trebuie instalat in asa fel incat sa fie usor accesibil pentru intretinere si curatare.
4. Echipamentul trebuie montat in toate punctele de fixare cu mijloace de fixare adecvate si omologate.
5. Nu tensionati ventilatorul la montaj.
6. In afara locurilor marcate pentru fixarea suruburilor de prindere, este interzisa executarea de alte gauri in carcasa sau infiletarea de suruburi suplimentare.
7. Este interzisa suspendarea canalului de ventilatie de echipament.
8. Pentru decuplarea sunetului pe structura, se recomanda o racordare flexibila atunci cand echipamentul este cuplat la un sistem de conducte.
9. Conexiunile electrice se vor realiza conform cu diagrama de conectare si schema sirurilor de cleme.
10. Tipul, sectiunea si lungimea cablurilor trebuie stabilite de un electrician autorizat.

Continutul pachetului de livrare:
1. ventilator de extractie Ruck MPC 450 D4 40
2. instructiuni de instalare, operare si intretinere
3. Declaratii de conformitate CE
4. Declaratie de incorporare CE (Directiva 2006/42/CE)

Pentru instalarea ventilatorului puteti comanda urmatoarele accesorii:
1. MECANICE
GR MPC 02 (cod produs 123432) - Soclu
WSH MPC 02 (cod produs 123433) - Protectie vreme rea pentru motor
WSG MPC 700 (cod produs 140748) - Grila de protectie vreme rea pentru MPC / MPCT
UQR 700 400 01 (cod produs 139863) - Piesa de trecere patrat/rotund pentru evacuare MPC / MPCT
UQR 700 450 01 (cod produs 139868) - Piesa de trecere patrat/rotund pentru evacuare MPC / MPCT
UQR 700 500 01 (cod produs 139871) - Piesa de trecere patrat/rotund pentru evacuare MPC / MPCT
USM 700 400 (cod produs 107214) - Panou izolat cu stut rotund pentru evacuare MPC / MPCT
USM 700 450 (cod produs 107240) - Panou izolat cu stut rotund pentru evacuare MPC / MPCT
USM 700 500 (cod produs 107241) - Panou izolat cu stut rotund pentru evacuare MPC / MPCT
AS MPC 400 (cod produs 140847) - Stut aspiratie pentru MPC / MPCT
AS MPC 450 (cod produs 140852) - Stut aspiratie pentru MPC / MPCT
AS MPC 500 (cod produs 140871) - Stut aspiratie pentru MPC / MPCT
RD MPC 700 (cod produs 140093) - Acoperis ploaie
UCP 700 (cod produs 142568) - Panou inchis pentru MPC
VM 400 (cod produs 102654) - Manseta de legatura, 1 set = 2 buc, diametru 400 mm
VM 450 (cod produs 119495) - Manseta de legatura, 1 set = 2 buc, diametru 450 mm
VM 500 (cod produs 118094) - Manseta de legatura, 1 set = 2 buc, diametru 500 mm
RVK 400 (cod produs 153701) - Clapeta inchidere tubulatura
RVK H 400 (cod produs 153926) - Clapeta inchidere tubulatura orizontala
RAF 400 (cod produs 154019) - Flansa rotunda aspiratie
RAS 400 (cod produs 154248) - Stut rotund aspiratie
RVS 400 (cod produs 154183) - Stut racord tubulatura
SGE 400 (cod produs 154074) - Grila protectie din sarma (plasa deasa)
SGW 400 (cod produs 154050) - Grila protectie din sarma (plasa rara)

2. ELECTRICE
GS 03 (cod produs 107633) - Intrerupator
MS 02 (cod produs 140409) - Releu protectie motor cu functie de intrerupator
MTP 20 (cod produs 128146) - Potentiometru 0-10V, reglaj continuu
MTP 30 (cod produs 143289) - Comutator potentiometru 3 trepte
MTP 50 (cod produs 153133) - Potentiometru cu iesiri multifunctionale
SEN AIR (cod produs 148641) - Traductor debit aer si temperatura
CON P1000 (cod produs 115259) - Modul pentru Control presiune constanta cu functie de comutare zi-noapte
CLIMASET01 (cod produs 111314) - Set accesorii pentru CON P1000, furtun de presiune, nipluri si suruburi
FU 15 09 (cod produs 141843) - Convertizor de frecventa alimentat la 230V, 1500W, IP20
FU 15 12 (cod produs 141854) - Convertizor de frecventa alimentat la 230V, 1500W, IP66
FU 15 15 (cod produs 141865) - Convertizor de frecventa alimentat la 400V, 1500W, IP20
FU 15 18 (cod produs 141876) - Convertizor de frecventa alimentat la 400V, 1500W, IP66
IMPORTANT! Convertizoarele de frecventa se livreaza preconfigurate pentru acest ventilator.

ATENTIE! Produsul are o greutate ce depaseste 30 kg. El va fi trimis catre dvs printr-un transportator care nu accepta plata ramburs (nu va fi trimis prin curier). Din acest motiv singura modalitate de plata posibila este TRANSFERUL BANCAR.

Comentarii

Scrieti un comentariu

Ventilator hota Ruck MPC 450 D4 40

Ventilator hota Ruck MPC 450 D4 40

  • temperatura mediu transportat: pana la 60°C;
  • motor in curentul de aer;
  • dimensiune interioara racord tubulatura: 385 mm;
  • debit maxim: 7275 m³/h;
  • presiune maxima: 820 Pa;
  • tip motor: asincron;
  • alimentare: trifazat stea/triunghi;
  • putere maxima consumata: 1223 W;
  • model: MPC 450 D4 40;
  • cod produs: 157199;
  • producator: Ruck

30 alte produse în aceeași categorie: