Ventilator extractie bucatarie (hota) Ruck MPS 225 D2 F4 30

145815

  • temperatura mediu transportat: pana la 200°C;
  • motor in afara curentului de aer;
  • dimensiune racord tubulatura: 199 mm;
  • debit maxim: 1960 m³/h;
  • presiune maxima: 980 Pa;
  • tip motor: asincron;
  • alimentare: trifazat stea/triunghi 50 Hz;
  • putere maxima: 486 W;
  • model: MPS 225 D2 F4 30;
  • cod produs: 145815;
  • producator: Ruck

More details

IN STOC

3 075,00 lei TVA inclus

TRANSPORT GRATUIT

local_shipping la comenzi de peste 500 lei

SUPORT GRATUIT

phone_in_talk chat, telefon sau email

PRODUSE ORIGINALE

inventory_2 comercializam produse NOI

SICAP

article achizitii publice din catalog

DETALII PRODUS

Ventilatorul Ruck MPS 225 D2 F4 30 (cod produs 145815) este recomandat pentru extractia aerului fierbinte contaminat cu grasimi din bucatarii, inclusiv pentru hote profesionale care nu sunt dotate cu ventilator.
Ventilatoarele din seria MPS au motorul dispus in afara fluxului de aer, acesta fiind astfel protejat impotriva murdariei. Spre deosebire de acestea, ventilatoarele din seria MPC au motorul dispus in fluxul de aer.
Exhaustoarele cu seria MPS..F4 se alimenteaza la 400V (trifazat in conexiune stea sau triunghi). Acest exhaustor cu functie de desfumare poate transporta in mod fiabil gaze de ardere pana la 400°C in caz de incendiu timp de 2 ore. Dupa incendiu, ventilatorul de acoperis trebuie inlocuit. Operatiunea recurenta la 400°C nu este permisa.

Caracteristici ventilator hota profesionala MPS 225 D2 F4 30:

  • Carcasa este construita din tabla de otel galvanizata si este izolata termoacustic cu 40 mm vata minerala ignifuga conform DIN EN 13501-1, clasa de combustie A1.
  • Sinele de montaj pre-asamblate sunt echipate cu tampoane de cauciuc pentru atenuarea vibratiilor si pot fi repozitionate pe carcasa, rezultand trei directii de evacuare posibile (dreapta, stanga sau sus).
  • Racordul la tubulatura de aer este echipat cu garnituri duble pentru o conectare etansa.
  • Tava de colectare condens/grasime este integrata in baza carcasei, fiind utilizabila doar la montaj cu evacuare in sus.
  • Racordul la drenaj este situat sub baza echipamentului.
  • Sectiunea rabatabila a ventilatorului este utilizata ca usa de acces pentru lucrari de revizie si curatare, fiind blocabila in pozitie deschis.
  • Elicea cu palete curbate inapoi este fabricata din tabla de otel acoperita cu pulbere si este montata pe arborele unui motor trifazat standard.
  • Rulmentii pe bile sunt fara intretinere, cu ungere pe intreaga durata de viata, etansati pe ambele parti.
  • Motorul este amplasat in afara fluxului de aer si astfel este optim protejat impotriva contaminarii.
  • Motorul trifazat integrat cu clasa IE-3 poate fi controlat numai cu ajutorul unui convertizor de frecventa.

Specificatii tehnice ventilator Ruck MPS 225 D2 F4 30:

  • diametru exterior flansa conexiune tubulatura: 199 mm
  • debit disponibil maxim: 1960 m³/h
  • presiune maxima: 980 Pa
  • tip motor: asincron, controlabil prin frecventa
  • tensiune nominala: 400V/50Hz
  • putere nominala: 486 W
  • curent nominal: 0,9 A
  • curent maxim de operare: 0,9 A
  • turatie nominala: 3440 rot/min
  • turatie maxima: 3530 rot/min
  • frecventa maxima permisa: 60 Hz
  • numar de poli: 2
  • protectie motor: IP55
  • temperatura ambientala (maxima permisa la nominal): 50°C
  • temperatura ambientala (maxima permisa): 50°C
  • temperatura aer transportat (max): 200°C
  • temperatura minima de lucru: -20°C
  • temperatura de depozitare: +5°C ÷ +40°C - evitati variatii mari de temperatura
  • poate fi instalat la exterior cu accesorii adecvate
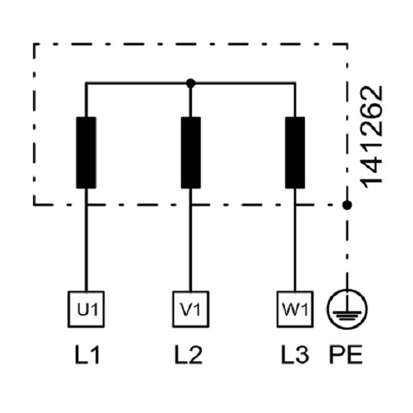
  • schema de conexiuni: 141262

Dimensiuni ventilator hota exterior Ruck MPS 225 D2 F4 30:

  • dimensiuni carcasa (latime x adancime x inaltime): 492 x 265 x 474 mm
  • diametru racord tubulatura: 199 mm
  • racord condens: 3/4"
  • greutate: 29,3 kg

Va recomandam ca montajul exhaustorului Ruck MPS 225 D2 F4 30 sa fie executat doar de personal calificat, conform instructiunilor de montaj si utilizare si a prescriptiilor si normelor in vigoare (existente in pachetul de livrare).
Urmatoarele elemente trebuie avute in vedere si respectate:

  • Podeaua trebuie sa fie plana si nivelata. Nu sunt permise inclinatii sau neplaneitate in nicio directie. Doar astfel poate fi garantata o functionare corespunzatoare.
  • Se vor utiliza doar accesorii de montaj potrivite si adecvate.
  • Echipamentul trebuie instalat in asa fel incat sa fie usor accesibil pentru intretinere si curatare.
  • Echipamentul trebuie montat in toate punctele de fixare cu mijloace de fixare adecvate si omologate.
  • Nu tensionati ventilatorul la montaj.
  • In afara locurilor marcate pentru fixarea suruburilor de prindere, este interzisa executarea de alte gauri in carcasa sau infiletarea de suruburi suplimentare.
  • Este interzisa suspendarea canalului de ventilatie de echipament.
  • Pentru decuplarea sunetului pe structura, se recomanda o racordare flexibila atunci cand echipamentul este cuplat la un sistem de conducte.
  • Conexiunile electrice se vor realiza conform cu diagrama de conectare si schema sirurilor de cleme.
  • Tipul, sectiunea si lungimea cablurilor trebuie stabilite de un electrician autorizat.

Continutul pachetului de livrare:

  • ventilator de extractie Ruck MPS 225 D2 F4 30
  • picioare = 2 bucati
  • amortizoare de vibratii = 4 bucati
  • instructiuni de instalare, operare si intretinere
  • Declaratii de conformitate CE
  • Declaratie de incorporare CE (Directiva 2006/42/CE)

Pentru instalarea ventilatorului puteti comanda urmatoarele accesorii:
1. MECANICE

  • WK MPS 07 (cod produs 127953) - Consola de montaj pe perete
  • VM 200 (cod produs 102650) - Manseta de legatura, dimensiune 200
  • RSK 200 D (cod produs 113487) - Clapeta antiretur cu garnitura, dimensiune 200
  • RSK 200 (cod produs 102662) - Clapeta antiretur, dimensiune 200
  • WSH MPS (cod produs 103661) - Protectie vreme rea pentru motor

2. ELECTRICE

IMPORTANT! Convertizoarele de frecventa se livreaza preconfigurate pentru acest ventilator.

Comentarii

Scrieti un comentariu

Ventilator extractie bucatarie (hota) Ruck MPS 225 D2 F4 30

Ventilator extractie bucatarie (hota) Ruck MPS 225 D2 F4 30

  • temperatura mediu transportat: pana la 200°C;
  • motor in afara curentului de aer;
  • dimensiune racord tubulatura: 199 mm;
  • debit maxim: 1960 m³/h;
  • presiune maxima: 980 Pa;
  • tip motor: asincron;
  • alimentare: trifazat stea/triunghi 50 Hz;
  • putere maxima: 486 W;
  • model: MPS 225 D2 F4 30;
  • cod produs: 145815;
  • producator: Ruck

30 alte produse în aceeași categorie: